首页
产品中心
硬件
大型储能系统 GridUltra
工商业储能系统 VenturePro
储能电池簇 RelyEZ Rack
储能电池模块 RelyEZ Pack
储能变流器 PowerXpert
软件
能量管理系统 EnergyHub
云平台 EnergyCloud
电池管理系统 RESmart
解决方案
解决方案
项目案例
新闻动态
联系我们
English
首页
产品中心
硬件
大型储能系统 GridUltra
工商业储能系统 VenturePro
储能电池簇 RelyEZ Rack
储能电池模块 RelyEZ Pack
储能变流器 PowerXpert
软件
能量管理系统 EnergyHub
云平台 EnergyCloud
电池管理系统 RESmart
解决方案
解决方案
项目案例
新闻动态
联系我们
首页
/
解决方案
/
项目案例
/
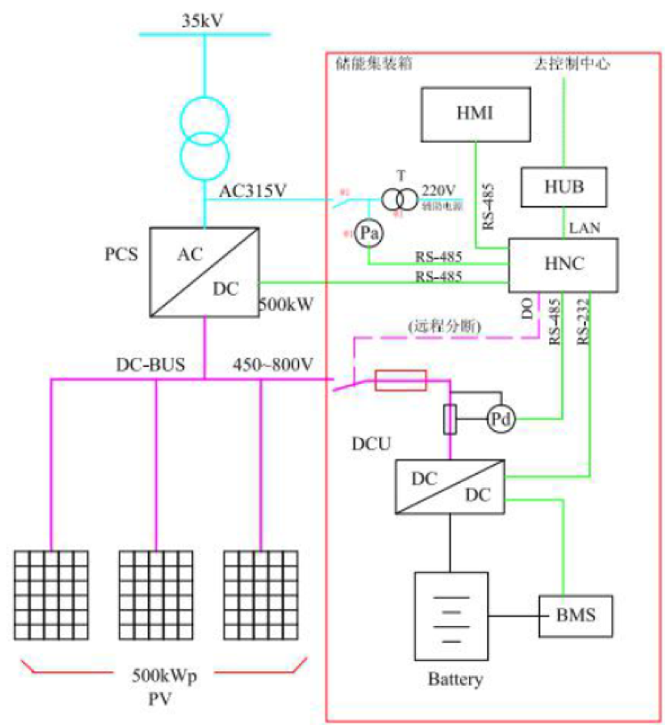
国内首个光伏直流侧DC/DC储能系统(2017)
国内首个光伏直流侧DC/DC储能系统(2017)
发布时间:2020-11-18
分享:
项目类型:光储项目
项目输出:并网
项目功率:500KW
项目介质:磷酸铁锂
项目地址:格尔木
光伏直流侧储能,实现DC侧弃光吸收和最大化利用。
上一篇
国内首个5MW/10MWh,35kV大型地面弃光储能电站(2016)
下一篇
浙江大学科研微网储能项目(2017)